
法兰型防爆压力变送器
产品描述
产品描述:
PTT379A法兰型防爆压力变送器采用法兰连接带3 1 6 L 隔离膜片安装,中间加装散热器,一般用于1 5 0 度高温场合,腐蚀性较强的场合,测量压力或液位。选用进口扩散硅式作为敏感元件,采用专用集成模块,精细的温度、零点、满程和非线性补偿,实现对液体、气体、蒸气等介质压力变化的准确测量和变送输出。具有高可靠性、长期稳定性和安装使用方便、体积小、重量轻、性价比高等特点。
产品特点:
选用进口耐高温敏感元件组装
防爆外壳,带LCD显示
传感器探头能在150℃高温下长期稳定工作
探头与防爆外壳之间采用散热片装置隔离
应用领域
石油、化工
冶金、医药
食品、饮料
技术规格
压力量程 | -0.1MPa~0~0.1Mpa; 0~6MPa | 综合精度 | 0.25%FS;0.5%FS;1%FS |
非 线 性 | 0.2%FS | 重 复 性 | 0.05%FS |
输出信号 | 4-20mA(两线制), 0-5V;0-10V(三线制),RS485 | 供电电压 | 24(12~36)VDC (放大信号) |
工作温度 | -20~150℃ | 补偿温度 | 0~65℃ |
响应时间 | <5ms | 过载压力 | 150%FS |
电气连接 | 防爆格兰出线 | 压力连接 | DN25,DN32,DN40,DN50,DN80 |
*防爆等级:Ex ib IIC T4, Ex ib IIC T6
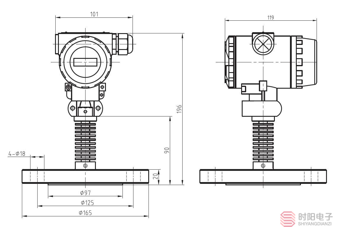
外形尺寸

